ないものはつくる。

組立キットを家電のケンちゃんにて販売しています。
2025年2月現在、いずれも品切れです。
baku.homeunix.net でも当面はアクセスできます。
ゲーム機をRGB接続すると、コンポジットビデオ信号接続に比べると映像が 格段に綺麗になる。一度経験するともうビデオ接続には戻れない。
ちょっとしたプログラムが組めると、 コンピュータでできることが飛躍的に広がる。
PC-98x1起動時のピポ音のWAVファイルを作るプログラムと、 作成された音声データ。
液晶モニタって画素が離散的なのでゲーム機を繋ぐには向かないんだよなぁ。
→でも、サブピクセルまで考慮して補完したらどうなるのかな?
→X68000エミュレータで実機のアスペクト比が1:1じゃない画面モードの
処理とかに使えないかな?
…というアイディアが浮かんだので、実験プログラムを書いてみました。 手始めに、X68000で描かれた512x512のPICファイルを変換することにしました。
投稿ゲームが採用されると幾ばくかの原稿料が手に入り、 中高生の自分にとってはありがたい臨時収入であった。
しかし、ゲームを作る最大の動機は、自分が遊びたいから、である。
ゲームは小説や漫画のように思い出の場面をすぐに見れないのが不満だ。
PS版エターナルメロディの文章データをプレーンテキストファイルに 変換します。
はんだごてを使えるだけで結構いろんなことができる。 ちょっとした回路を組めればさらにいろんなことができる。
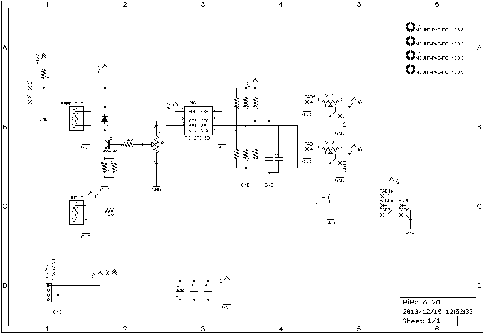
いつの間にやら、10年以上の付き合い。回路や部品配置はVer.4の頃とあまり変わっていません
AT互換機で"ピポッ"という起動音を鳴らすしょーもない回路。VM21あたりの"ピーポー"からオーバードライブ時の"ピョッ"まで可変可能。
RandomNoteを使った自分用メモ
古典的な200x40pxバナーがご入り用の方は以下のいずれかをご使用ください。
バナーが差し変わることがありますので、画像をコピーせずにリンクして頂けると幸いです。諸々の理由でインラインイメージをリンクで貼るのは嫌、等という場合はコピーして頂いてもかまいません。